儲氣罐使用年限及檢測周期 儲氣罐檢測報告
導讀:儲氣罐的使用年限和檢測要求取決于其壓力等級和設計類別。建議每年進行一次常規檢測,并根據具體情況適時進行更加細致的檢測和維護工作,以確保儲氣罐的安全可靠運行。
儲氣罐作為一種壓力容器,其安全性至關重要,因此對其使用年限和定期檢測周期的規范管理顯得尤為重要。下面本文介紹儲氣罐使用年限及檢測周期,并提供儲氣罐檢測報告范本,供大家參考。

儲氣罐現場檢測
儲氣罐使用年限及檢測周期
儲氣罐的使用年限和檢測要求取決于其壓力等級和設計類別。
儲氣罐的使用年限應根據其材質、設計標準、工作環境等因素來確定。一般而言,儲氣罐的設計使用壽命一般為10年。超過10年后,需要每年進行報檢合格后才能繼續使用。同時,儲氣罐的安全附件(如安全和壓力表)的校驗周期為一年。
儲氣罐的定期檢測周期也是確保其安全運行的重要環節。一般情況下,儲氣罐的定期檢測應按照相關標準要求進行,包括外觀檢查、壓力測試、泄漏檢測等內容。
簡單壓力容器(即容積1.0MPa以下的儲氣罐)通常有免檢的優惠政策,在7年內免于檢驗。但是,如果容積超過1.0MPa,使用前需要辦理特種設備使用登記證,并且必須由有安裝資質的單位進行安裝。
固定式壓力容器的檢驗周期通常為1至3年。如果每次檢查都通過,則可以繼續使用,沒有明確的使用年限。簡單壓力容器(也稱為免備案儲氣罐)一般不需要進行定期檢驗,但如果使用壽命到期,就需要強制報廢。
建議每年進行一次常規檢測,并根據具體情況適時進行更加細致的檢測和維護工作,以確保儲氣罐的安全可靠運行。
儲氣罐檢測報告

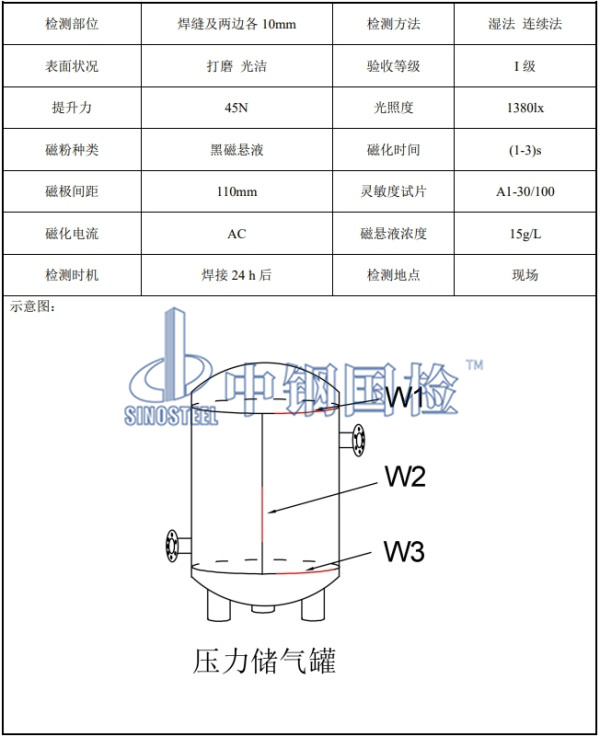
壓力儲氣罐檢測報告
樣品名稱 壓力儲氣罐
樣品其他信息 牌號:Q345R;
工程部位 罐體
樣品數量 3 條
檢測類別 委托檢測
檢測依據 NB/T 47013.4-2015
判定依據 NB/T 47013.4-2015《承壓設備無損檢測 第 4 部分:磁粉檢測》
檢測項目 焊縫磁粉檢測(磁粉檢測)
檢測結論 委托樣品所檢項目符合 NB/T 47013.4-2015 標準 Ⅰ 級要求。

壓力儲氣罐檢測要求

壓力儲氣罐檢測結果
中鋼國檢擁有CMA、CNAS、CAL、ILAC等檢測資質,還有特種設備無損檢測資質證書,配備有各類無損探傷檢測儀器、超聲波探傷儀、交流微型交流微型磁軛探傷儀等,檢測工程師可以帶檢測儀器到現場進行無損探傷檢測,檢測后出具權威認可的第三方檢測報告。

中鋼國檢無損檢測資質